神奈川県支部登録クラブ  登録番号:11-1-2 
 WELCOME TO JA1YBQ MEMBER
---------------------- ------1953年12月創立----
  会員用のページへようこそ
◇ 投稿記事 ◇ JA7UIO  -118-    
TRIO TS-120Vの修理(PLLアンロック)  
JA7UIO/1 山崎 
 

はじめに
 先日、クラブのOMさんからTRIO TS-120Vをいただきました。1978年に発売された機種なので48年前、そろそろ発売から半世紀になります。このような古い機種なので動かなくて当然と思っていましたが、予想通り全バンドでPLLアンロック、送受信不可でしたので修理にトライすることにしました。

TS-120について
 TS-120は、チューニングダイヤルの内部に減速機構のついた目盛り(0~500KHz)が有ったので、PLLではなくアナログVFOの機種と思い込んでいました。確かにチューニングダイヤルの内部にはバリコンが入っているのですが、アナログVFO方式ではなくPLL方式でした。

 現在の一般的なPLL方式では周波数はロータリーエンコーダで設定し、設定された周波数にPLLでロックさせるものと思いますが、TS-120では自励発振器の周波数をバリコンで設定し、発振された出力を周波数カウンタでカウントし、その値にPLLでロックをかけるようになっているようです。

ロータリーエンコーダを使った方が間違いなくシンプルな回路構成になりそうですが、私としてはこちらの方が好きです。減速機構のついたダイヤルは、いかにも「無線機」という感じで、自作にはおなじみのバーニヤダイヤルや、開局時に使用していたリグのダイヤルを思い出させてくれるからです。

故障内容

 冒頭にも書いたように、全てのバンドでPLLアンロックになっており送受信不可の状態でした。TS-120のPLLアンロックについてネット検索すると、ほぼ100%の確率で2SC460の劣化による故障が発生しており、このトランジスタを交換するとだいたい復旧するようです。このため、まずは2SC460の全数交換から修理を始めることにしました。

修理内容
 確かに2SC460の劣化は著しく、全く動作しないものや動作してもhFE(直流電流増幅率)が極端に低くなっているものばかりでした。相当品のトランジスタ2SC1959に全数交換し、復旧かなと期待したのですが、そうはいかず、以下のようになりました。

バンド

状態

備考

3.5, 7

PLLアンロックは解消

 

14, JJY/WWV

PLLアンロックのまま

各部の信号は規定通り出力されている

21, 28/28.5/29/29.5

PLLアンロックのまま

 

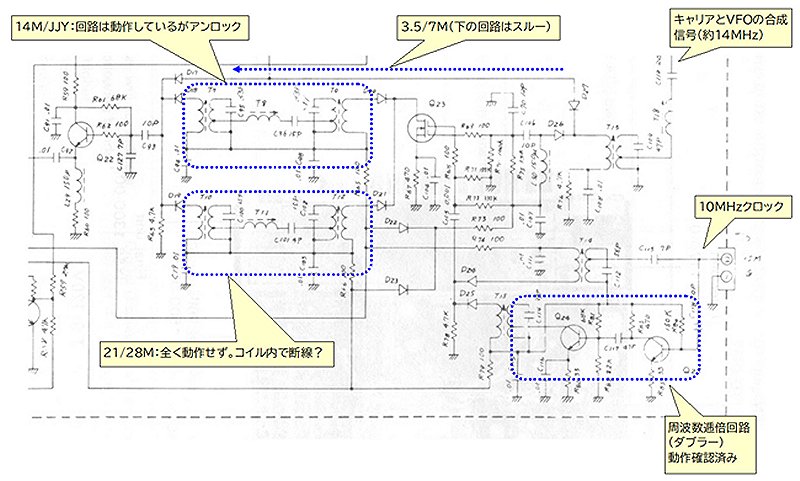
 元々7MHz帯専用で使う予定だったので当初の目標は達成したのですが、他のバンドが使えないと気持ちが悪いので続けてトライすることにしました。PLLボードに的を絞って各部の波形を確認したところ、次のようになっていました。

 21/28Mについては、コイル内で断線していると手が付けられないので諦めました。14Mについては波形だけみると動作しているように見えるのですが、PLLがロックしてくれません。調べてもわからなかったので、AIに聞いてみることにしました。

Claude3 Sonnet4.6
 今回使用したAIは、Anthropic社で無料公開している Claude3 Sonnet4.6です。昨年からWeb検索に対応したようなので試しに使ってみました。Web検索対応ということは、Webの最新情報を持ってこれるということですが、当然ながら誤情報も取得する可能性があるので注意は必要です。

プロンプト(AIへの依頼文)
ちょっと長くなりましたが、細かく状況を説明して指示しないと的外れの回答が来ます(対人間と同じですHi)
TRIO社(日本国外ではKENWOOD社)製のアマチュア無線機TS-120(TS-120V)の故障修理について調査してください。故障内容は、PLLアンロックで、3.5Mと7Mバンドではロックし、他のバンドは全てアンロックです。劣化しているトランジスタ2SC460は全て交換し、Q23のFET 3SK40も相当品に交換済みです。Q24, 25の周波数逓倍回路(ダブラー)は正常に動作しています。14Mバンドではカウンタ入力Q15に正規の1.5MHzの信号が入ってきますが、21M以上では信号が入ってきません。また、14MではD19のアノードに正しい信号(24.3MHz)が出力されていますが、21M以上では無信号になっていますが、T10~T12で断線の可能性があるため21M以上の修理は今回諦めました。従って14Mのみについて調査してください。Q16のカウンタは交換済みで入力側のD15も交換済みです。14Mについて各部の波形は規格通りなのでロックしても良さそうなものですが、T1を調整するとTPの電圧が電源側に振り切ってしまい調整できません。

Claude3 Sonnet4.6からの回答

(以下省略)
 かなり長くなるので省略しましたが、結論としては次のような感じです。

・Webの情報をうまくまとめて報告してくれる。
・長文になり誤情報の可能性もあるので取捨選択が必要
・いくつか参考になる情報が有ったので試してみたが、解決にはいたらず。
・参考資料としては十分に使える(と思います)


おわりに
 今回は残念ながら解決には至りませんでしたが、無線機の修理で暗礁に乗り上げたときなどにWeb検索対応のClaude3は役に立つかも知れませんので宜しければお試しください。
 また、TS-120の修理は初めてでしたが、メンテナンス性の良さにちょっと感動しました。

1

基板が二階建てになっているとき、上の基板のコネクタを接続したままよけることができる。(下の基板の信号などを確認することができる)

2

VFOユニットがパネルからビス4本で簡単に外すことができる。(感動しました!)

3

外すのが難しい基板(RFユニット)は下部の板を外すと信号を確認できるようになっている。

4

ボードに実装されている部品リードの穴径に余裕を持っているので、簡単に外すことができる。

これは「たまたま」かも知れませんが、部品交換のときにかなり楽でした。

  

  【2026.03.15 JA7UIO 山崎 記】

TOPページへ戻る   会員頁TOPへ戻る  投稿記事に戻る